原理,結構
濁度傳感器基于組合紅外吸收散射光線法,光源發出的紅外光經過樣品中濁度的散射,最后由光電檢測器轉換為電信號,并經過模擬和數字信號處理后獲得樣品的濁度值。
技術參數
| 測量范圍: | 濁度:0.01-100 NTU,0.01-4000 NTU | ||||||||||||
| 測量精度: | 小于測量值的±2%,或±0.1NTU,取大者 | ||||||||||||
| 壓力范圍: | ≤0.4Mpa | ||||||||||||
| 校 準 | 樣品校準、斜率校準 | ||||||||||||
| 傳感器主要材料 | 機身:1.4435(316L)(普通版),鈦合金(海水版); | ||||||||||||
| 上下蓋:PVC,線纜:PVC | |||||||||||||
| 存儲溫度 | ‘-15~65℃ | ||||||||||||
| 工作溫度 | 0到45℃ | ||||||||||||
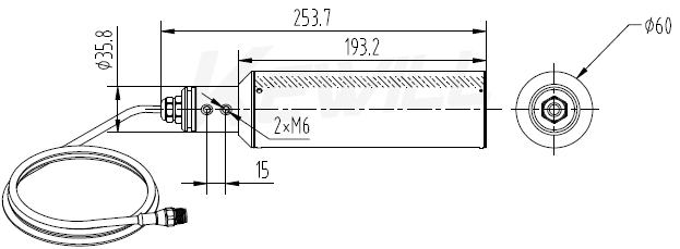
| 尺 寸 | 直徑60mm*長度256mm | ||||||||||||
| 流 速 | ≤2.5m/s、8.2ft/s | ||||||||||||
| 防護等級 | IP68/NEMA6P | ||||||||||||
| 重 量 | 1.65KG | ||||||||||||
| 電纜長度 | 標配10米電纜,可延長至100米 | ||||||||||||
變送器技術規格

尺寸圖


選型表





在線咨詢 獲取報價








